PICA Thru Ring Actuators

High-Load Piezo Actuators with Inner Hole

  • High load capacity
  • Extreme reliability: >109 cycles
  • Microsecond response time
  • Subnanometer resolution
  • Flexible thanks to wide range of designs
PICA Thru Ring Actuators
Product Description Specifications Downloads Quote / Order

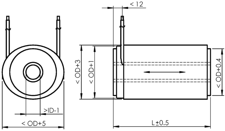
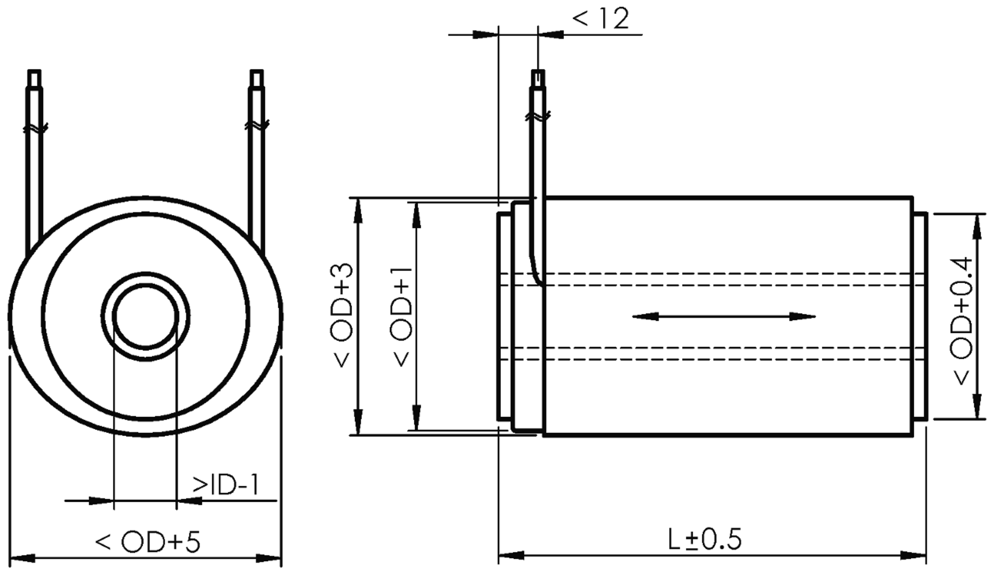
Stacked piezo linear actuator

Operating voltage 0 to 1000 V. Long lifetime without loss of performance. High specific displacement. A mechanical preload can be applied via inner holes.

Possible modifications

  • Strain gauge sensors for positional stability

  • Piezoceramic material

  • Operating voltage range, displacement, layer thickness

  • Load capacity, force generation

  • Geometric shapes: round, rectangular, various diameters

  • Endpiece: flat

  • Integrated piezoelectric force detector layers

  • Extended temperature range

  • UHV-compatible versions to 10-9 hPa

  • Nonmagnetic versions

  • Reduced length tolerances

Application fields

Industry and research. For optics, precision mechanics and manufacturing, laser tuning.

Specifications

Datasheet

Datasheet PICA Thru

Version / Date
2026-03-10
pdf - 680 KB
Version / Date
2026-03-10
pdf - 682 KB

Downloads

Datasheet

Datasheet

Datasheet PICA Thru

Version / Date
2026-03-10
pdf - 680 KB
Version / Date
2026-03-10
pdf - 682 KB

Documentation

Documentation

User Manual PZ138

PICA Piezo Actuators: P-007, P-010, P-016, P-025, P-035, P-045, P-050, P-056 PICA Stack/Power/Thru Customized Products

Version / Date
2014-12-10
pdf - 922 KB
Version / Date
2014-12-10
pdf - 923 KB
Documentation

Short Instructions PZ257EK

PICA Piezo Actuators up to 1000 V: P-0xx, P-1xx, P-405, PICA Stack, PICA Power, PICA Thru, PICA Shear, Picoactuator®

Version / Date
3.0.0 04/2021
pdf - 812 KB
Version / Date
3.0.0 04/2021
pdf - 826 KB

Ask for a free quote on quantities required, prices, and lead times or describe your desired modification.

How to Get a Quote

Click on QUOTE / ORDER
Add variant to quote list
Fill out quote form
Send price request to PI
We will contact you shortly

Ask an engineer!

Quickly receive an answer to your question by email or phone from a local PI sales engineer.

Compatible Electronics Related Products

Technology