Precision rotation stage; DC motor; 360° rotational angle; 500 N load capacity; 75 °/s maximum angular velocity; incremental rotary encoder, 20000 cts./rev. resolution, A/B quadrature, RS-422
PRS-200 Precision Rotation Stage
Large Aperture, High Run-Out Accuracy
- Unlimited travel range
- Repeatability to 5 µrad
- Load capacity to 50 kg
- Option: Direct position measurement with angle measuring system
Reference-class rotation stage
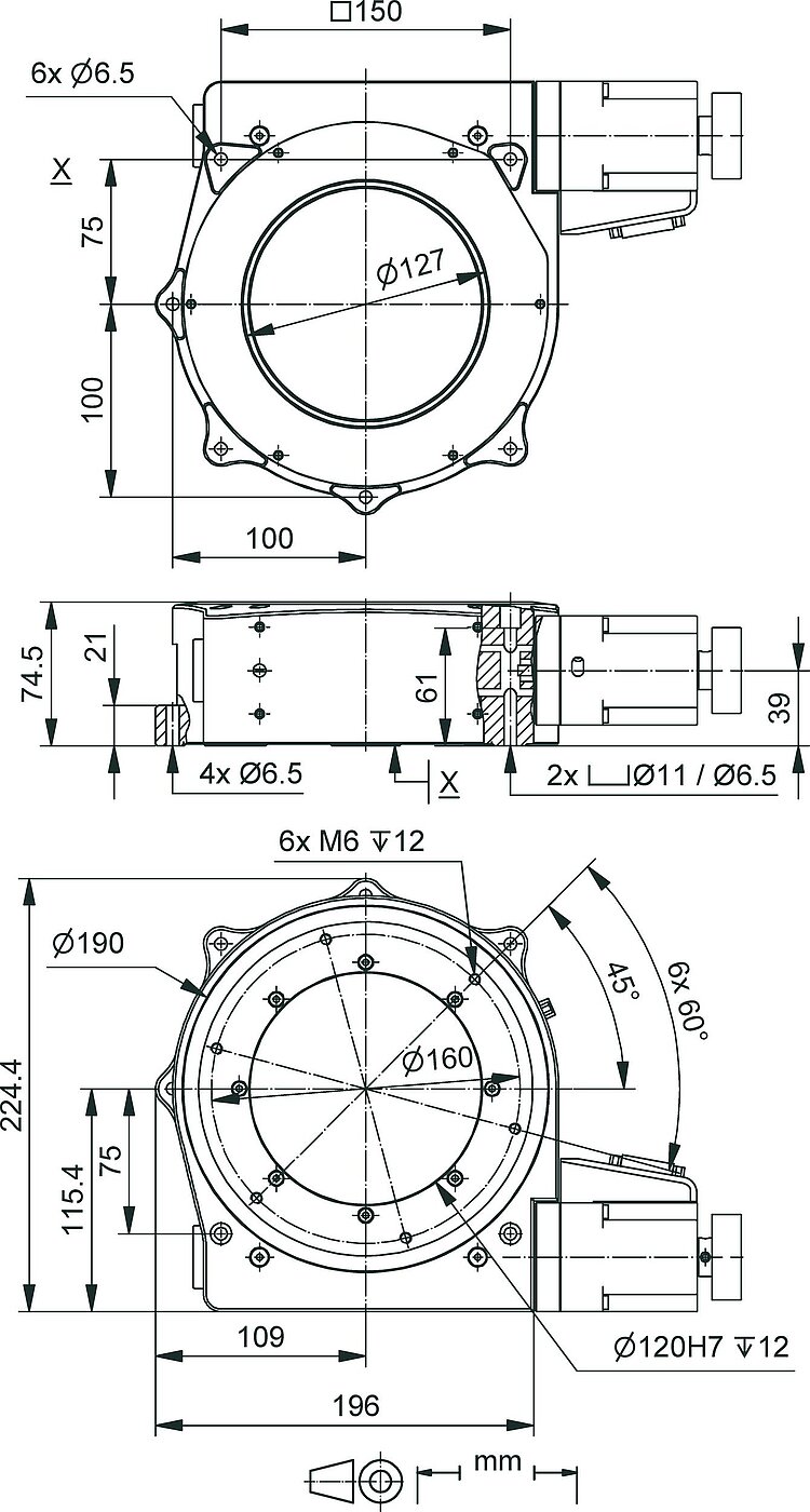
Worm drive with high gear ratio for precision positioning. Excellent flatness and concentricity due to preloaded crossed roller bearings. Large aperture with 120 mm Ø. Two adjustable limit switches.
Versions
- DC servo motor with rotary encoder on the motor shaft
- Stepper motor
- Option: High-resolution optical angle measuring system for direct position measuring
Option: Measurement of the run-out accuracy and positioning accuracy
Individual measurement logs available on request for wobble, axial, and radial creep. Please specify when ordering.
Application fields
Medical industry. Sample inspection. Precision microassembly. Measuring technology. Photonics.
Specifications
Specifications
| Motion | 6449911011 | 6449911111 | 6449921011 | 6449921111 | Tolerance |
|---|---|---|---|---|---|
| Active axes | θZ | θZ | θZ | θZ | |
| Rotation range in θZ | 360 ° | 360 ° | 360 ° | 360 ° | |
| Maximum angular velocity in θZ, unloaded | 75 °/s | 75 °/s | 35 °/s | 35 °/s | |
| Radial error in X | ± 2.5 µm | ± 2.5 µm | ± 2.5 µm | ± 2.5 µm | typ. |
| Axial error | ± 1 µm | ± 1 µm | ± 1 µm | ± 1 µm | typ. |
| Tilt error around X (wobble) | ± 17.5 µrad | ± 17.5 µrad | ± 17.5 µrad | ± 17.5 µrad | typ. |
| Positioning | 6449911011 | 6449911111 | 6449921011 | 6449921111 | Tolerance |
| Minimum incremental motion in θZ | 8.72 µrad | 0.5 µrad | 8.72 µrad | 0.5 µrad | typ. |
| Unidirectional repeatability in θZ | ± 17.5 µrad | ± 2.5 µrad | ± 17.5 µrad | ± 2.5 µrad | typ. |
| Bidirectional repeatability in θZ | 349 µrad | 17.4 µrad | 349 µrad | 17.4 µrad | typ. |
| Limit switches | Hall effect, N/C contact, 3.8 V to 24 V, NPN | Hall effect, N/C contact, 3.8 V to 24 V, NPN | Hall effect, N/C contact, 3.8 V to 24 V, NPN | Hall effect, N/C contact, 3.8 V to 24 V, NPN | |
| Integrated sensor | — | Incremental angle-measuring system | — | Incremental angle-measuring system | |
| Sensor signal | — | Sin/cos, 1 V peak-to-peak | — | Sin/cos, 1 V peak-to-peak | |
| Sensor signal periods/U | — | 23600 | — | 23600 | |
| Motor encoder | Incremental rotary encoder | Incremental rotary encoder | — | — | |
| Motor encoder: Sensor signal | A/B quadrature, RS-422 | A/B quadrature, RS-422 | — | — | |
| Resolution, motor encoder | 20000 Cts./rev. | 20000 Cts./rev. | — | — | |
| Drive properties | 6449911011 | 6449911111 | 6449921011 | 6449921111 | Tolerance |
| Drive type | DC motor | DC motor | 2-phase stepper motor | 2-phase stepper motor | |
| Nominal voltage | 24 V | 24 V | 48 V | 48 V | |
| Nominal current, RMS | 4.35 A | 4.35 A | 1.2 A | 1.2 A | typ. |
| Motor resolution | — | — | 200 Full steps/rev. | 200 Full steps/rev. | |
| Drive torque clockwise in θZ | 4 N·m | 4 N·m | 4 N·m | 4 N·m | max. |
| Drive torque counterclockwise in θZ | 4 N·m | 4 N·m | 4 N·m | 4 N·m | max. |
| Torque constant | 0.127 N·m/A | 0.127 N·m/A | — | — | typ. |
| Resistance phase-phase | 1.5 Ω | 1.5 Ω | 1.8 Ω | 1.8 Ω | typ. |
| Inductance phase-phase | 2.2 mH | 2.2 mH | 2.5 mH | 2.5 mH | |
| Mechanical properties | 6449911011 | 6449911111 | 6449921011 | 6449921111 | Tolerance |
| Permissible push force in X | 200 N | 200 N | 200 N | 200 N | max. |
| Permissible push force in Y | 200 N | 200 N | 200 N | 200 N | max. |
| Permissible push force in Z | 500 N | 500 N | 500 N | 500 N | max. |
| Permissible torque in θX | 60 N·m | 60 N·m | 60 N·m | 60 N·m | max. |
| Permissible torque in θY | 60 N·m | 60 N·m | 60 N·m | 60 N·m | max. |
| Permissible torque in θZ | 4 N·m | 4 N·m | 4 N·m | 4 N·m | max. |
| Holding torque in θZ, passive | — | — | 1170 N·m | 1170 N·m | |
| Moved mass in Z, unloaded | 4300 g | 4700 g | 4300 g | 4700 g | |
| Worm gear reduction | 180 : 1 | 180 : 1 | 180 : 1 | 180 : 1 | |
| Bearing type | Crossed roller bearings | Crossed roller bearings | Crossed roller bearings | Crossed roller bearings | |
| Overall mass | 8000 g | 8700 g | 8000 g | 8700 g | |
| Material | Aluminum, black anodized; stainless steel; red bronze | Aluminum, black anodized; stainless steel; red bronze | Aluminum, black anodized; stainless steel; red bronze | Aluminum, black anodized; stainless steel; red bronze | |
| Miscellaneous | 6449911011 | 6449911111 | 6449921011 | 6449921111 | Tolerance |
| Operating temperature range | 5 to 40 °C | 5 to 40 °C | 5 to 40 °C | 5 to 40 °C | |
| Connector | D-sub 7W2 (m) | D-sub 7W2 (m) | D-sub 15 (m) | D-sub 15 (m) | |
| Sensor connector | — | — | — | HD D-sub 26 (f) | |
| Connector for motor encoder | M23 12-pole (m) | M23 12-pole (m) | — | — | |
| Recommended controllers/drivers | G-901 G-910 ACS modular controller C-863 with C-863.AD12 power driver C-884 with C-863.AD12 power driver C-885 with C-863.20C885 with C-863.AD12 power driver | G-901 G-910 ACS modular controller C-863 with C-863.AD12 power driver C-884 with C-863.AD12 power driver C-885 with C-863.20C885 with C-863.AD12 power driver | G-901 G-910 ACS modular controller C-663.12 C-885 with C-663.12C885 | G-901 G-910 ACS modular controller C-663.12 C-885 with C-663.12C885 |
At PI, technical data is specified at 22 ±3 °C. Unless otherwise stated, the values are for unloaded conditions. Some properties are interdependent. The designation "typ." indicates a statistical average for a property; it does not indicate a guaranteed value for every product supplied. During the final inspection of a product, only selected properties are analyzed, not all. Please note that some product characteristics may deteriorate with increasing operating time.
Downloads
Datasheet
Documentation
User Manual PRS-200
Precision Rotation Stage
3D Models
PRS-200 3-D model
Ask for a free quote on quantities required, prices, and lead times or describe your desired modification.
Precision rotation stage; DC motor; 360° rotational angle; 500 N load capacity; 75 °/s maximum angular velocity; incremental rotary encoder, 20000 cts./rev. resolution, A/B quadrature, RS-422; incremental angle measuring system, sin/cos, 1 V peak-peak
Precision rotation stage; 2-phase stepper motor; 360° rotational angle; 500 N load capacity; 35 °/s maximum angular velocity
Precision rotation stage; 2-phase stepper motor; 360° rotational angle; 500 N load capacity; 35 °/s maximum angular velocity; incremental angle measuring system, sin/cos, 1 V peak-peak















