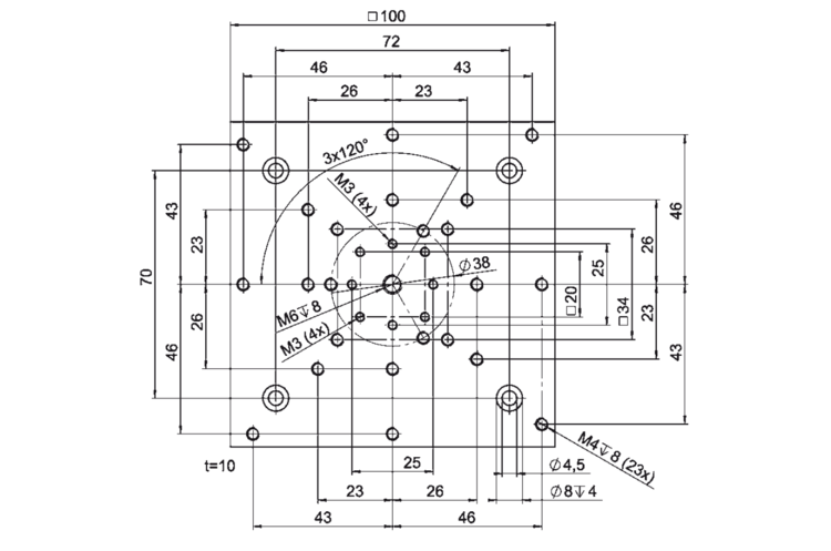
M-403.AP1 Adapter Plate

For Horizontal Mount of Stages with PI Standard Hole Pattern

  • And vertical mount of rotation stages on M-403/M-404 stages
M-403.AP1 Adapter Plate
Product Description Downloads Quote / Order

Downloads

Datasheet

Datasheet

Datasheet M-403.AP1

Version / Date
---
pdf - 727 KB
Version / Date
---
pdf - 716 KB

Quote / Order

Ask for a free quote on quantities required, prices, and lead times or describe your desired modification.

How to Get a Quote

Click on QUOTE / ORDER
Add variant to quote list
Fill out quote form
Send price request to PI
We will contact you shortly

Ask an engineer!

Quickly receive an answer to your question by email or phone from a local PI sales engineer.

Compatible Products